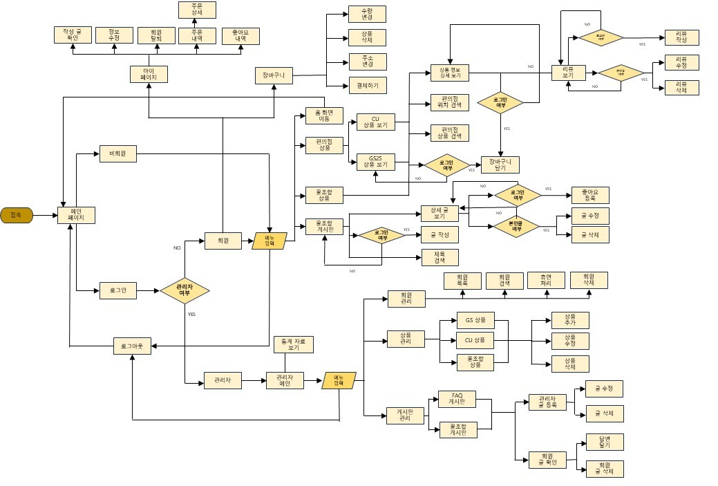
중간 프로젝트를 위해 작성한 User Flow..
2월 단기 프로젝트 하면서 만들어봤다고 좀 쉽게 쉽게 만든 것 같다.

작성한 유저 플로우.
상품이나 리뷰, 게시판 보는 거 외에는 다 웬만하면 로그인(회원가입) 한 회원만 볼 수 있도록 설계하였다.
근데 생각해보니 네이버 카페 같은 경우도 다 가입한 사람만 볼 수 있도록 하는데 최종 프로젝트 때 게시판 정도는 로그인한 사람만 보게 바꿔도 괜찮을 것 같다는 생각이 든다.
타켓 사이트 계속 찾아보기.
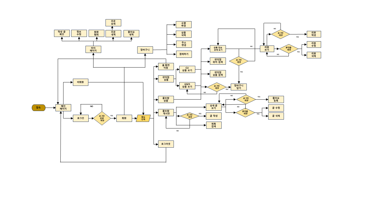
그리고 아래는 지금까지 구현한 회원 기능만 잘라낸 것.

관리자까지 설계는 해놨지만 너무 규모가 커서 중간 프로젝트에는 회원 기능만 구현했다.
요즘은 자신이 구현한 부분만 보여주는 것이 트렌드라길래 회원만 잘라냄.
'웹 개발' 카테고리의 다른 글
| 이메일 인증번호 발송 실패 에러 (0) | 2025.04.07 |
|---|---|
| 이메일 API 사용하기 (0) | 2025.04.02 |
| Servlet 코드가 없으면 로그인 기능이 작동할 수 없는가? (0) | 2025.03.31 |
| Servlet과 AJAX의 관계 (0) | 2025.03.31 |
| JPA (0) | 2025.03.30 |